SUNFORD VALVES
Piston Valve Up to 200nb
Piston Valve Up to 200nb
Technical Specification
Design Standard | B16.34/EN 12516.2 |
---|---|
Testing Standard | API 598 |
Face To Face Standard | ASME B 16.10 |
Flange End Standard | ASME B 16.5 |
Hydraulic Test Pressure | ||
---|---|---|
Body | 31 Kg/cm² | |
Seat & Back Seat | 22 Kg/cm² | |
Air Test | 07 Kg/cm² |
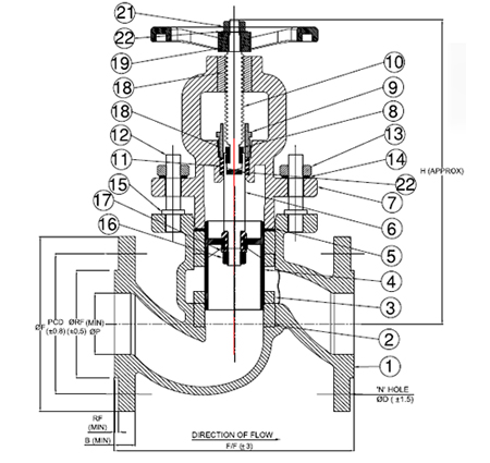
Part List | ||
---|---|---|
Sr. No. | Item Description | Material |
1 | Body | ASTM A 216 GR. WCB |
2 | Seat Ring | GRAPHITE WITH SS304 RAINFORCED |
3 | Lantern Bush | ASTM A276 TYPE SS 410 |
4 | Piston | ASTM A 216 GR. WCB |
5 | Bonnet Sealing Ring | GRAPHITE |
6 | Spindle | ASTM A276 Type SS 410 |
7 | Bonnet | ASTM A 105 / ASTM A 216 GR. WCB |
8 | Split Nut | Brass IS319 GR.1 |
9 | Gland Nut | ASTM A276 TYPE SS 410 |
10 | Stem | ASTM A276 TYPE SS 410 |
11 | Stem Seal Ring | GRAPHITE WITH SS304 RAINFORCED |
12 | Stud | ASTM A 193 GR.B7 |
13 | Nut | ASTM A 194 GR.2H |
14 | Belleville Washer | 50 CR V4 / ASTM 240 GR.302 |
15 | GAP Ring | ASTM A276 Type SS410 |
16 | Flat Washer | ASTM A276 Type SS410 |
17 | Spindle Nut | ASTM A 194 GR.2H |
18 | Yoke | Bronze |
19 | Handwheel | MI /SGIRON |
20 | Handwheel Washer | MS |
21 | Handwheel Nut | ASTM A 194 GR. 2H |
22 | Thrust Plate | ASTM A 276 Type SS410 |
Size | F/F(mm) | ∅P(mm) | H Open(mm) | H Close(mm) | ∅F(mm) | RF(mm) | FT(mm) | RFH(mm) | PCD(mm) | N | ∅WH | ∅D(mm) |
---|---|---|---|---|---|---|---|---|---|---|---|---|
80 | 318 | 80 | 400 | 330 | 210 | 127 | 27 | 1.70 | 168.30 | 8 | 300 | 19 |
100 | 356 | 100 | 510 | 420 | 255 | 157.20 | 30.20 | 1.70 | 200.00 | 8 | 300 | 19 |
150 | 444 | 152 | 615 | 495 | 320 | 215 | 35 | 1.70 | 269.90 | 12 | 350 | 22.20 |
Industries We Serve

Chemical Industries

Pharmaceutical Industries

Petrochemical Plant

Textile Industries

OEM & Contrators

Pulp, Paper, Sugar Industries

Water Treatment Plant
