SUNFORD VALVES
Basket Type Stainer Class 150
Basket Type Stainer Class 150
Design & Manufacturer Standards
Valve Design / Shell Thickness | ISO 15761 |
---|---|
Face to Face | ASME B 16.10 |
Socket / Screwed Nutt End Connection | ASME B 16.11 / ASME B 1.20.1 / ASME B 16.25 |
Pressure Temp. Ratings | ASME B 16.34 |
Inspection & Testing | API 598 |
Special Features of Sunford Valves
- Bolt Cover
- Very Low Pressure Drop
- Higher Filteration Area
- Double or Triple Layers Mesh
- Easy Maitenance
- High Performance
Hydraulic Test Pressure 150# | ||
---|---|---|
Body | 32 Kg/cm² | |
Seat & Back Seat | - |
Pneumatic Test Pressure | ||
---|---|---|
Air Pressure | 08 Kg/cm² |
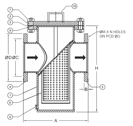
Part List | ||
---|---|---|
Sr. No. | Item Description | Material |
1 | Body | IS 2062 / SS 304 / SS 316 |
2 | Top Cover | IS 2062 / SS 304 / SS 316 |
3 | Body Cover | IS 2062 / SS 304 / SS 316 |
4 | Inlet Flange | IS 2062 / SS 304 / SS 316 |
5 | Outlet Flange | IS 2062 / SS 304 / SS 316 |
6 | Screen | S.S. 304 40MESH X 37 SWG |
7 | Cover Bolt & Nut | CS / SS |
8 | Gasket | NITRILE / SS 304 + Spiral Wound |
9 | Drain Plug | ASTM A 105 / SS 304 / SS 316 |
10 | Lifting Handle | CS / SS |
ANSI CLASS 150 - Dimensions | ||||||||
---|---|---|---|---|---|---|---|---|
Size | A | H | B | ∅C | ∅D | ∅M | N | ∅G |
25 | 200 | 300 | 11 | 51.0 | 108.0 | 16 | 4 | 79 |
40 | 260 | 330 | 14 | 73.0 | 127.0 | 16 | 4 | 98.5 |
50 | 260 | 335 | 16 | 92.0 | 152.0 | 19 | 4 | 120.5 |
65 | 260 | 350 | 17.5 | 105.0 | 178.0 | 19 | 4 | 140 |
80 | 300 | 365 | 19 | 127.0 | 190.0 | 19 | 4 | 152.5 |
100 | 330 | 420 | 24 | 157.0 | 229.0 | 19 | 4 | 190.5 |
125 | 400 | 455 | 24 | 186.0 | 255.0 | 22 | 8 | 216 |
150 | 400 | 480 | 25 | 216.0 | 279.0 | 22 | 8 | 241 |
200 | 465 | 620 | 28.5 | 270.0 | 343.0 | 22 | 8 | 298.4 |
250 | 515 | 770 | 30 | 324.0 | 406.0 | 25 | 12 | 362 |
300 | 575 | 940 | 32 | 381.0 | 483.0 | 25 | 12 | 432 |
350 | 680 | 1040 | 35 | 412.7 | 533.4 | 28.6 | 12 | 476.2 |
400 | 750 | 1085 | 36.5 | 469.9 | 496.9 | 28.6 | 16 | 539.7 |
450 | 850 | 1200 | 40 | 533.4 | 635.0 | 31.7 | 16 | 577.8 |
500 | 1000 | 1300 | 43 | 584.2 | 698.5 | 31.7 | 20 | 635.0 |
400 | 750 | 1085 | 36.5 | 469.9 | 496.9 | 28.6 | 16 | 539.7 |
Industries We Serve

Chemical Industries

Pharmaceutical Industries

Petrochemical Plant

Textile Industries

OEM & Contrators

Pulp, Paper, Sugar Industries

Water Treatment Plant
