SUNFORD VALVES
Ball Valves 3 Pcs Screw Ends
Ball Valves 3 Pcs Screw Ends
Design & Manufacturer Standards
Valve Design / Shell Thickness | BS5351 / API 6D |
---|---|
Face to Face | ANSI B 16.10 / API 6D |
Flanged End Connections | ASME B 16.5 |
Pressure Temp. Ratings | ASME B 16.34 |
Inspection & Testing | API 598 |
Fire Safe | API 607 |
Butt Weld Ends | ASME B 16.25 |
Hydraulic Test Pressure | ||
---|---|---|
Body | 32 Kg/cm² | |
Seat Test | 23 Kg/cm² | |
Air Test | 07 Kg/cm² |
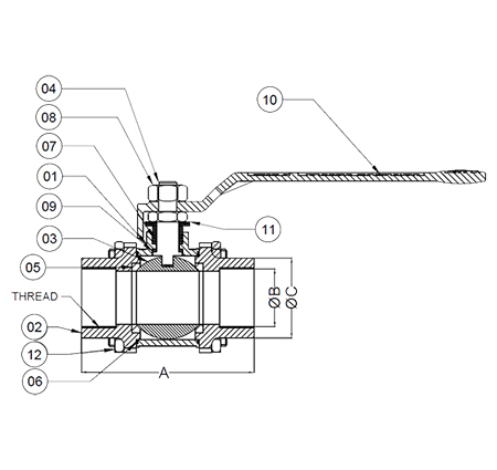
Dimensions | ||||
---|---|---|---|---|
Size | A | ∅B | ∅C | Thread (Female) |
15 | 77 | 12.5 | 26 | BSP/NPT |
20 | 84 | 19 | 32 | BSP/NPT |
25 | 90 | 25 | 41 | BSP/NPT |
40 | 11 | 38 | 56 | BSP/NPT |
50 | 127 | 50 | 67 | BSP/NPT |
Part List | ||
---|---|---|
Sr. No. | Item Description | Material |
1 | Body | ASTM A 216 GR. WCB / A 352 LCB / A 217 WC6 / A 351 CF8 / CF8M / CF3 /CF 3M |
2 | Side Piece | |
3 | Ball | AISI 304/ 316 / ASTM A351 GR. CF8/CF8M |
4 | Stem | S.S. 304 / 316 |
5 | Seat Ring | VIRGIN PTFE / CFT / GFT |
6 | Body Ring | VIRGIN PTFE / CFT / GFT |
7 | Gland Ring | VIRGIN PTFE / CFT / GFT |
8 | Gland Nut | S.S. 304 / 316 |
8 | Stem Seal | VIRGIN PTFE / CFT / GFT |
10 | Handle | AISI 202 / 304 / 316 |
11 | Belly Velly Washer | S.S. 304 / 316 |
12 | Nut & Washer | S.S. 304 / 316 |
Industries We Serve

Chemical Industries

Pharmaceutical Industries

Petrochemical Plant

Textile Industries

OEM & Contrators

Pulp, Paper, Sugar Industries

Water Treatment Plant
