SUNFORD VALVES
Double offset Butterfly Valve PN10
Double offset Butterfly Valve PN10
Design & Manufacturer Standards
Valve Design / Shell Thickness | BS 5155 / API 609 / EN 596 / IS 13095 |
---|---|
Face to Face | BS 5155 / ISO 5752 / API 609 |
Flanged End Connections | ASME B 16.5 / BS 10 TAB D & E IS 6392 NP 0.6 / 1.0 / 1.6 |
Inspection & Testing | API 598 / BS 6755 Part - 1 / EN 12266-1 |
Pressure Rating | Hydrostatic Shell Test | Hydrostatic Seat Test | ||
---|---|---|---|---|
Kg/cm² | PSI | Kg/cm² | PSI | |
PN10 | 15 | 210 | 10 | 140 |
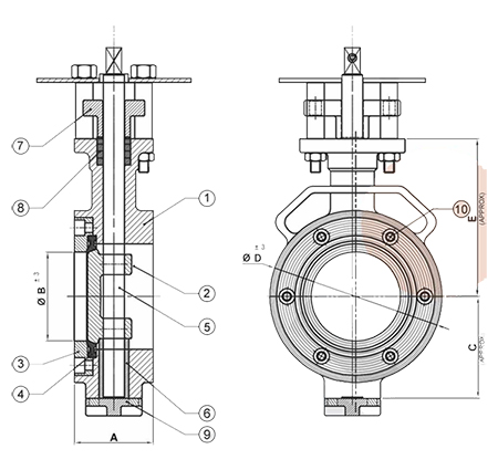
Part List | ||
---|---|---|
Sr. No. | Item Description | Material |
1 | Body | CF8 / CF8M / WCB |
2 | Disc | CF8 / CF8M |
3 | Retainer | CF8 / CF8M / WCB |
4 | Seat Ring | PTFE / GFT / VITON |
5 | Shaft | S.S. 304 / 316 |
6 | Shaft Bearing Bush | S.S. 304 / 316 |
7 | Gland | CF8 |
8 | Gland Packing | PTFE / CFT / GFT |
9 | Bottom Cover | CF8 / CF8M |
10 | L.N. Bolt | S.S. 202 / S.S. 304 |
11 | Lever | M.S / S.S. |
ANSI - 150 Dimensions | ||||||
---|---|---|---|---|---|---|
Size | A | ∅B | C | ∅D | E | F |
40 | 42 | 40 | 51 | 85 | 85 | 180 |
50 | 45 | 51 | 58 | 98 | 90 | 180 |
65 | 48 | 61 | 63 | 115 | 102 | 180 |
80 | 48 | 72 | 70 | 131 | 120 | 215 |
100 | 54 | 100 | 86 | 159 | 134 | 215 |
125 | 57 | 123 | 105 | 188 | 154 | 265 |
150 | 57 | 143 | 120 | 219 | 170 | 265 |
200 | 63 | 192 | 145 | 272 | 200 | 325 |
Industries We Serve

Chemical Industries

Pharmaceutical Industries

Petrochemical Plant

Textile Industries

OEM & Contrators

Pulp, Paper, Sugar Industries

Water Treatment Plant
