SUNFORD VALVES
Ball Valve with Extended Spindle
Ball Valve with Extended Spindle
Design & Manufacturer Standards
Valve Design / Shell Thickness | BS 5351 |
---|---|
Face to Face | ASME B 16.10 |
Flanged End Connections | ASME B 16.5 |
Pressure Temp. Ratings | ASME B 16.34 |
Inspection & Testing | API 598 |
Hydraulic Test Pressure 150# | ||
---|---|---|
1 | Body | 32 Kg/cm² |
2 | Seat | 23 Kg/cm² |
Hydraulic Test Pressure 300# | ||
---|---|---|
1 | Body | 78 Kg/cm² |
2 | Seat | 58 Kg/cm² |
Pneumatic Test Pressure | ||
---|---|---|
1 | Air Pressure Test | 08 Kg/cm² |
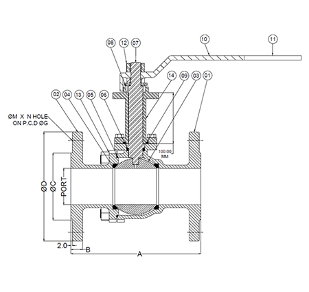
Part List | ||
---|---|---|
Sr. No. | Item Description | Material |
1 | Body | ASTM A 216 GR. WCB, ASTM A351 GR. CF8 / CF8M |
2 | Side Piece | |
3 | Ball | ASTM A351 GR. CF8 / CF8M (Solid Ball) |
4 | Seat Ring | CARBON FILLED PTFE / VIRGIN PTFE |
5 | Body Ring | CARBON FILLED PTFE / VIRGIN PTFE |
6 | Gland Ring | CARBON FILLED PTFE / VIRGIN PTFE |
7 | Stem | S.S. 304 |
8 | Gland | S.S. 304 |
9 | Stem Seal | CARBON FILLED PTFE / VIRGIN PTFE |
10 | Lever | S.S. 410 |
11 | Lever Sleeve | P.V.C |
12 | Lever Nut | S.S. |
13 | Stud & Nut | S.S. 304 / 316 |
14 | Extended Bonnet | ASTM A 216 GR. WCB / CF8 / CF8M |
ANSI Class - 150 Dimensions | ||||||||
---|---|---|---|---|---|---|---|---|
Size | Port | A | B | ∅C | ∅D | ∅M | N | ∅G |
15 | 108 | 9.6 | 34.9 | 90 | 16 | 4 | 60.3 | 24 |
25 | 127 | 11 | 50.8 | 110 | 16 | 4 | 79.4 | 24 |
40 | 165 | 14.3 | 73 | 125 | 16 | 4 | 98.4 | 12 |
50 | 178 | 16 | 92.1 | 150 | 19 | 4 | 120.7 | 35 |
65 | 190 | 17.5 | 104.8 | 180 | 19 | 4 | 139.7 | 4 |
80 | 203 | 19 | 127 | 190 | 19 | 4 | 152.4 | 36 |
100 | 229 | 24 | 157.2 | 230 | 19 | 8 | 190.5 | 30 |
150 | 394 | 25 | 216 | 280 | 22 | 8 | 241.3 | 18 |
Industries We Serve

Chemical Industries

Pharmaceutical Industries

Petrochemical Plant

Textile Industries

OEM & Contrators

Pulp, Paper, Sugar Industries

Water Treatment Plant
